全国可飞同城空降_全国同城空降快餐群报名入口 _全国高端空降快餐_同城喝茶微信电话联系

欢迎光临诸城市正一机械有限公司官方网站!
平板型【P】
平板型分割器
平板型分割器

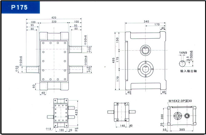
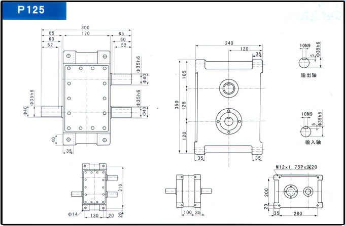
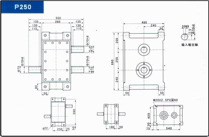
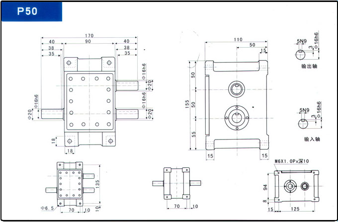
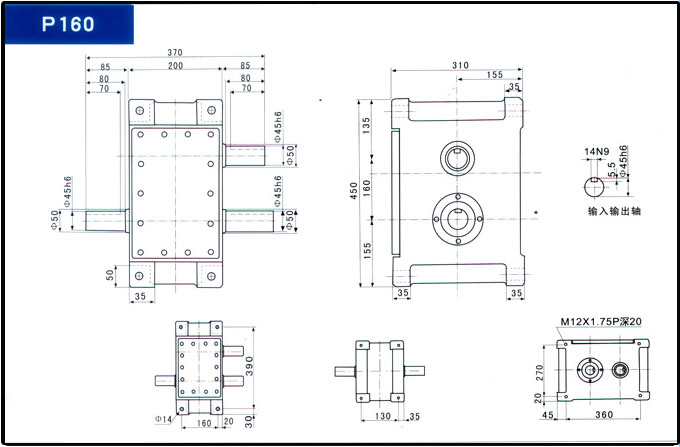
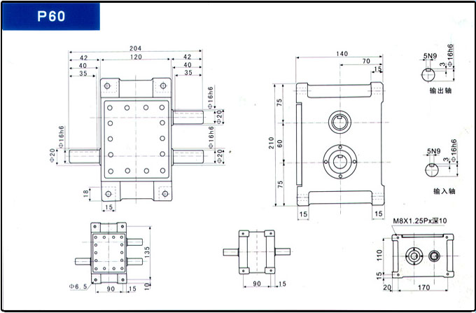
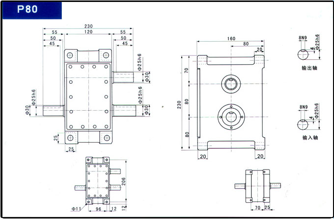
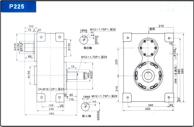
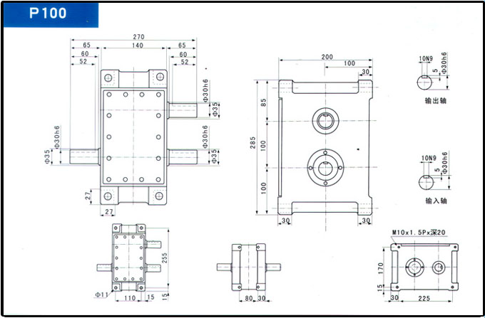
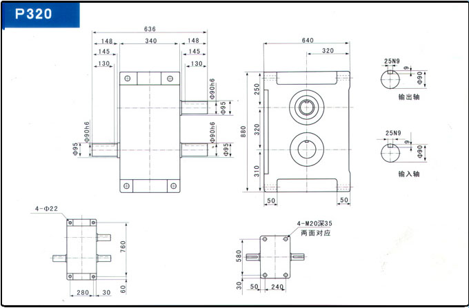
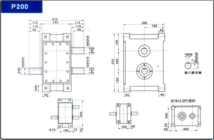
P50、P60、P65、P80、P100、P125、P150、P175、P200、P225、P250、P320
   此机种是内含二片固定在输入轴上得板型凸轮驱动输入轴上得分度盘以完成分度,此分割器有平行共辄凸轮的机构设计,适合供给节距较大的输送带传动或用于停留时间较长的间歇分度。另有三片式重负荷型式,更适合一些快速且长节距的输送,并且停留时间亦比二片式长。

主站蜘蛛池模板: 海盐县| 抚州市| 博野县| 岳阳市| 秭归县| 迭部县| 德令哈市| 常宁市| 沈丘县| 文安县| 永宁县| 吴桥县| 揭东县| 辽中县| 南岸区| 邛崃市| 永安市| 蒙城县| 四子王旗| 宁陵县| 石楼县| 隆安县| 乌鲁木齐县| 奎屯市| 灯塔市| 铜鼓县| 上饶市| 平罗县| 四川省| 怀来县| 大关县| 贵港市| 抚远县| 革吉县| 郯城县| 高邮市| 渑池县| 电白县| 博湖县| 栖霞市| 崇左市|