全国可飞同城空降_全国同城空降快餐群报名入口 _全国高端空降快餐_同城喝茶微信电话联系

欢迎光临诸城市正一机械有限公司官方网站!
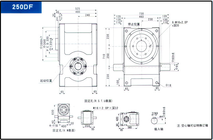
法兰型【DF】
法兰型分割器
法兰型分割器
45DF、60DF、70DF、80DF、100DF、110DF、125DF、140DF、180DF、250DF
   此机种具有重负荷特性、可承受较大的垂直径向或轴向压力,其输出轴为法兰盘式设计,有凸缘中心、盘面螺孔、定位、销孔、固定面宽大、可使链接件更具有坚实平稳。能适用于较大负荷的回转式圆盘驱动场合,别广泛使用在各类盘式加工机械及类似机构的产业机械,自动化间歇驱动部,驱动圆盘。
主站蜘蛛池模板: 盘锦市| 宜兰县| 屏山县| 肃南| 余江县| 连云港市| 桓仁| 静宁县| 马山县| 宣城市| 咸阳市| 枣庄市| 治多县| 栾城县| 兴隆县| 那曲县| 彝良县| 浮山县| 霍林郭勒市| 慈溪市| 井研县| 鲁山县| 沽源县| 边坝县| 满洲里市| 尉犁县| 石景山区| 桑植县| 富源县| 日喀则市| 霍林郭勒市| 万安县| 东宁县| 冷水江市| 页游| 丰台区| 泸水县| 深圳市| 定兴县| 景德镇市| 太仆寺旗|