全国可飞同城空降_全国同城空降快餐群报名入口 _全国高端空降快餐_同城喝茶微信电话联系

欢迎光临诸城市正一机械有限公司官方网站!
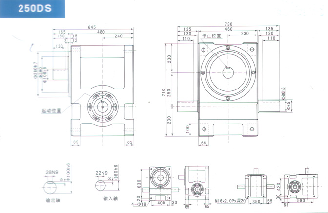
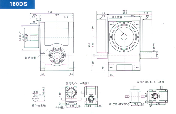
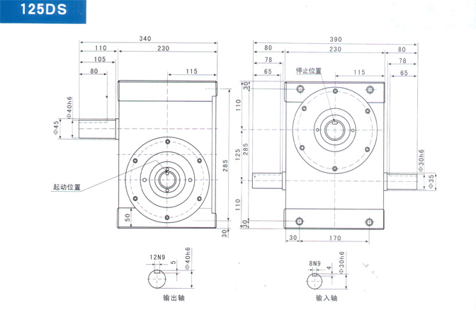
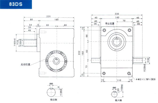
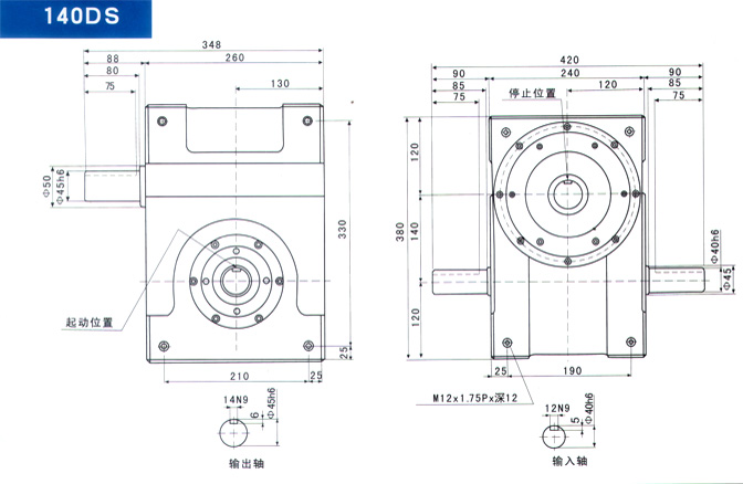
心轴型【DS】
心轴型分割器
心轴型分割器
45DS、60DS、70DS、80DS、83DS、100DS、110DS、125DS、140DS、180DS、200DS、250DS
   此系列机种为典型传统式心轴造型,其子分割器上加工安装配合齿轮、联轴器或联轴盘,需特别注重孔径公差(+0.015/-0)、及键槽公差(+0.015-0),其使用场合在输送带驱动、齿轮驱动、无间隙联轴器结合驱动居多。
主站蜘蛛池模板: 满洲里市| 青铜峡市| 黑水县| 平度市| 昌黎县| 西丰县| 佛山市| 麟游县| 丹江口市| 丰城市| 西乌| 东安县| 定远县| 会宁县| 板桥市| 新乡市| 资溪县| 颍上县| 汝州市| 河池市| 满洲里市| 河东区| 章丘市| 独山县| 五大连池市| 多伦县| 宣恩县| 内乡县| 永胜县| 马公市| 武邑县| 宝鸡市| 黑山县| 宁晋县| 酉阳| 陵水| 焦作市| 黄骅市| 嵊州市| 三穗县| 洪江市|